Tiny Houses
Many property owners are interested in using tiny houses or tiny homes to house themselves or others. Small homes can be a creative solution to the current housing crisis by providing much-needed, cost-effective, and energy-efficient housing and may be used as temporary or permanent housing subject to corresponding permit.
Sonoma County now allows Transportable Housing Units (tiny homes on a chassis with wheels), as permitted and registered by the California Building Code (CBC) and American National Standards Institute (ANSI), on a temporary basis under certain circumstances. These are permitted with a Temporary Occupancy (TEM) permit.
For more information please see below and the following:
- Policy 8-1-1 Temporary Occupancy of Travel Trailers, Recreational Vehicles, and Transportable Housing Units (Tiny Homes)
- Sonoma County Zoning Ordinance Section 26-88-010(P)
On this page:
- Is a Tiny House Right for You?
- Review and Approval Requirements
- Zoning Requirements for Use of Permanent Tiny Homes
- Temporary Occupancy of Travel Trailers, RVs, and Transportable Housing Units (Tiny Homes on Wheels)
- Typical Tiny Home and Temporary Housing Unit Construction Details
- Frequently Asked Questions
Is a Tiny House Right for You?
Before you buy a tiny house yourself, be sure that you ask the right questions. There is no industry standard definition of a tiny house. The term is used to describe a variety of dwelling types, and the permitting and inspection requirements differ for each type of tiny house. Here are some terms to get you started:
- Stick-built/traditional/site-constructed homes: A small home constructed entirely at the building site.
- Manufactured houses (commonly referred to as mobile homes): Homes built in a factory mounted on a non-removable steel chassis or frame.
- Factory-built houses (commonly referred to as modular homes): Factory-constructed homes that are transported to a permanent location for installation on a foundation. These are most often permanent structures.
- Transportable Housing Units and Recreational Vehicles: Travel trailers, motor homes, park model homes, truck campers, camping trailers, or any other housing on wheels.
According to the 2018 International Residential Code (IRC), a tiny house is a dwelling that is 400 square feet or less in floor area excluding lofts. The 2018 IRC Appendix Q outlines some code requirements for tiny houses. In addition to IRC requirements, tiny houses permitted by Sonoma County must meet the building regulations found in the current California Building Codes and Chapter 7 of the Sonoma County Municipal Code. Transportable Housing Units (tiny houses on a chassis with wheels) must be built and registered to California Building Code requirements.
Review and Approval Requirements
There are distinct review and approval requirements for the different types of tiny houses as outlined below:
- Stick-built/site-constructed houses in Sonoma County are reviewed as part of the normal building permit process at Permit Sonoma. Current regulations require these tiny houses to be built on permanent foundations and must be permitted as permanent structures.
- Manufactured houses are regulated by the US Department of Housing and Urban Development (HUD) and installed on a State-approved foundation.
- Factory-built houses are regulated by the California Department of Housing and Community Development (HCD) and inspected in the factory to ensure that building codes are met. See Permit Sonoma policy 4-0-9 Factory-Built Housing Permits. Once installed on a permanent foundation, they cannot be removed and retain HCD Certification.
- Transportable Housing Units and Recreational Vehicles (RVs) must be constructed to national standards including American National Standards Institute (ANSI) 119.5 and National Fire Protection Association (NFPA) 1192 standards. They must be registered and licensed through the California Department of Motor Vehicles (DMV). RVs and other housing on wheels, compliant with the above regulations, are allowed as temporary housing as described below.
Zoning Requirements for Use of Permanent Tiny Homes
Primary Residences
If a tiny home on a permanent foundation is proposed to be used as a primary residence, it must meet all local and State code requirements, including applicable building, fire safety, and zoning codes. Recreational vehicles (RVs) do not qualify.
Accessory Dwelling Units
If a tiny home on a permanent foundation is proposed to be used as an accessory dwelling unit (i.e., in addition to a primary residence), it must meet all local and State code requirements, including all applicable building, fire safety, and zoning codes. Recreational vehicles (RVs) do not qualify.
Cottage Housing Developments
Permanently installed tiny homes may be used as cottage housing developments in accordance with the Cottage Housing Ordinance (Zoning Code Section 26-88-063). Recreational vehicles (RVs) do not qualify.
Agricultural Housing
Tiny homes on permanent foundations may be used for agricultural housing. Recreational vehicles (RVs) may also qualify for temporary farmworker housing (PJR-008 Temporary Occupancy). Transportable housing units (tiny homes on a chassis with wheels) do not qualify for agricultural housing at this time.
Special Occupancy Parks
Temporary Occupancy of Travel Trailers, Recreational Vehicles, and Transportable Housing Units (Tiny Homes on Wheels)
Temporary occupancies of travel trailers, recreational vehicles (RVs), transportable housing units (tiny homes), and manufactured homes are allowed in Sonoma County with a Temporary Occupancy (TEM) permit under the following circumstances:
- During the construction or major remodeling of a single family dwelling. Limited to one (1) temporary dwelling unit per issued building permit for the single family dwelling. Must be removed within 60 days of final approval and occupancy of the building permit for the Single Family Dwelling.
- Prior to the application of building permit for or construction of an Accessory Dwelling Unit (ADU), on parcels where an ADU is allowed.
- To house an ill, convalescent or otherwise disabled friend or relative needing care from the occupant of the primary residence; or a friend or relative providing necessary care for an ill, convalescent or otherwise disabled occupant of the primary residence. Doctor’s note is required upon permit application.
- To house victims of recent wildfires. More Information: Use of Travel Trailers & Recreational Vehicles for Temporary Occupancy by Fire Survivors
- As temporary farmworker housing. Recreational vehicles (RVs) may qualify for temporary farmworker housing (PJR-008 Temporary Occupancy). Tiny homes on permanent foundations may be used for agricultural housing subject to permitting and zoning requirements.
- Generally, these are allowed for up to 1 year. You will be notified near the end of your permitted term via a Notice of Pending Expiration of Temporary Housing Permit letter.
Units used for temporary housing must meet California Building Code (CBC) and/or American National Standards Institute (ANSI) requirements, including a maximum interior living space of 400 square feet excluding lofts. Each of the listed occupancies must either be connected to a parcel’s septic/sewer system or an applicant may provide a contract for hold/pump and haul services with a State of California licensed contractor to provide those services through the duration of the temporary occupancy permit.
For more information please see:
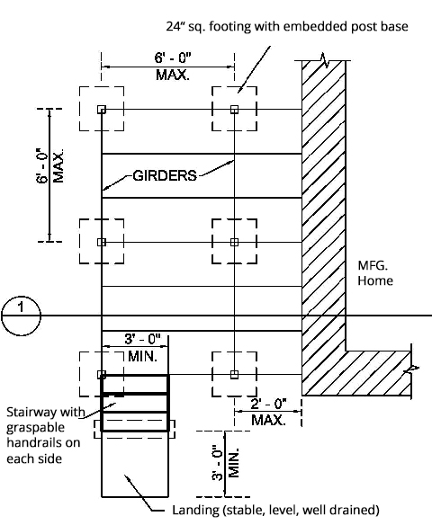
Typical Tiny Home and Temporary Housing Unit Construction Details
Sample drawings for temporary sanitary and electrical connections, exit stairs, deck foundation plan, and deck detail.
Temporary Sanitary & Electrical Connection
Exit Stairs
Deck Foundation Plan
Deck Detail
* Guard required when walking surface is 30 inches or more vertically from finished grade, at any point measured 3 inches horizontally from projected walking surface.
Frequently Asked Questions
Answers to frequently asked questions (FAQs) about temporary units and tiny houses in unincorporated Sonoma County.